夜夜躁很很躁日日躁麻豆,国产无遮挡无码视频免费软件 ,日本免费视频,欧美性猛交xxxx黑人

Welcome to GUANGZHOU TAICHANG METAL PRODUCT CO.,LTD!
Tel:+86-0-13928829680

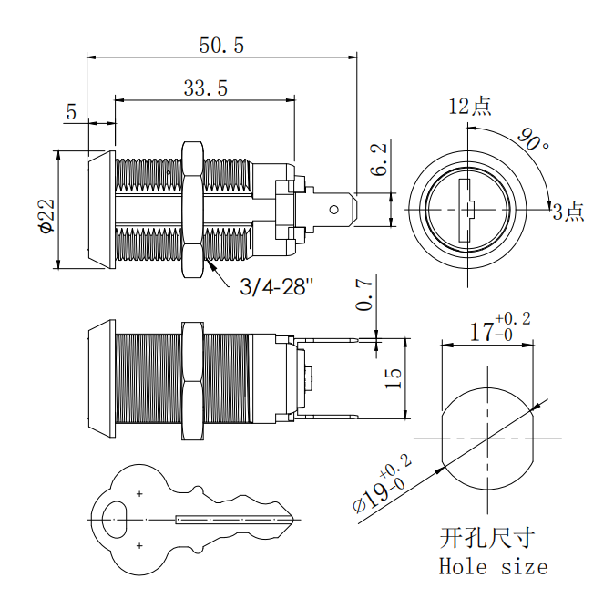
1086 SWITCH LOCK

Online Inquiry
Click Refresh Verification Code

Product Details

Material:Zinc alloy lock body and cylinder.

Finish:Chrome plating.

Description:

1.Key turn to 90dx,pull out on 12 Oclock.

2.Spring return or non spring return.

3.Fixed by hex nut.

MODEL:1086、1086/HT

Home
Tel
Contact